開關柜二次回路
開關柜二次回路詳細資料由專業的低壓開關柜、低壓配電柜、低壓配電箱報價廠家為您提供。
開關柜 1的一次和二次電路概述
開關柜的主要部件包括:真空斷路器、電流互感器、就地安裝的微機保護裝置、操作電路附件(手柄、指示燈、壓板等)。),以及各種位置輔助開關。
其中,斷路器和電流互感器安裝在開關柜內,微機保護、附件和電能表安裝在繼電器室的面板上(使用以前的名稱,實際上沒有繼電器),端子排安裝在繼電器室內,帶有各種電源空氣開關,端子排通過控制電纜或專用插座與斷路器機構連接。
為了理解開關柜的二次接線,我們需要找到兩張圖紙:
微機綜合保護制造商提供的保護原理圖和接線圖;
開關柜制造商提供的二次原理圖、接線圖、端子框圖和斷路器機構原理圖。
制造商紙張的綜合保護是開關柜制造商設計的原始基礎,也是我們審查開關柜制造商圖紙的基礎。
開關柜出廠原理圖一般是根據微機保護的原理圖修改,然后示意性地畫出電流、電壓和信號量的輸入,以及控制量的輸出。

第二,中心開關柜二次接線
KYN28A中央柜為10kV開關柜型,較常用于城市地區變電站型,由柜體和可抽出部件(中央手推車)組成。機柜分為手車室、主母線室和電纜室。中繼儀器室。

1.中繼室
繼電器室面板設有微機保護裝置、操作手柄、保護出口壓板和指示燈(關閉位置紅燈、分檔位置綠燈、儲能完成黃燈);

2、手車(斷路器)室
中央柜中較常用的斷路器是VS1真空斷路器,斷路器機構中的接線通過專用插座與繼電器室的接線盒連接。一段插頭與斷路器機構固定連接,另一段為專用插頭。匹配的插座安裝在斷路器室的右上方,并從插座連接到繼電器室的接線盒。為了了解二次回路,我們需要對運行過程有一定的了解。
中間柜斷路器手車有三個位置:斷開、測試和操作(需要注意的是,斷路器手車和斷路器是兩個概念,斷路器手車實際上是斷路器及其座)。
正常運行時,斷路器手車處于運行位置,斷路器處于合閘位置,二次線插頭與插座連接。
手動跳閘后,斷路器處于斷開狀態,手車處于運行位置;用專用搖把將斷路器手車搖出至試驗位置,可拔出二次插頭(手車在運行位置時不能拔出);
繼續搖動,手車退出斷路器室并處于斷開位置。
斷開位置:斷路器與一次設備(母線)無連接,失去操作電源(二次插頭已拔出),斷路器處于斷開位置;
測試位置:二次插頭可以插入插座獲得電源。斷路器可以開關,相應的指示燈亮。
斷路器與一次設備沒有連接,可以進行各種操作,但不會對負載側產生任何影響,因此稱為試驗位置。
操作位置:斷路器與一次設備連接。接通電源后,電力通過斷路器從母線傳輸到輸電線路。
中央機柜沒有傳統意義上的隔離開關概念。手車處于試驗位置時,相當于傳統隔離開關斷開,即斷路器和主回路(一次母線)有明顯的斷開點。
3.中繼室
95X系列微機保護裝置由上海郭子電力科技有限公司為中央柜設計,體積小。功能齊全。可以實現三級過流。過壓。欠壓、三相重合閘、逆時限等常規繼電保護功能。
1)電流回路
從下圖可以看出。要訪問的電流互感器模擬量是A、B、C和相電流。(當然,在某些項目中,A相和C相是相連的,不完全星形法)一次電量也可以顯示在微機保護裝置上,并且該電量取自保護等級。如果對精確度有特殊要求。可以帶測量電平的串聯電流表不僅可以

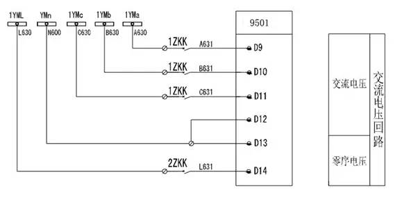
2)電壓回路
從上圖可以看出,要連接的電壓互感器模擬量是A、B、C和相電壓。當然,如果需要,可以連接零序電壓進行零序電壓保護。從圖中可以看出,這種連接是星型連接。如果是電壓/電壓連接,D9和D12可能會短路。

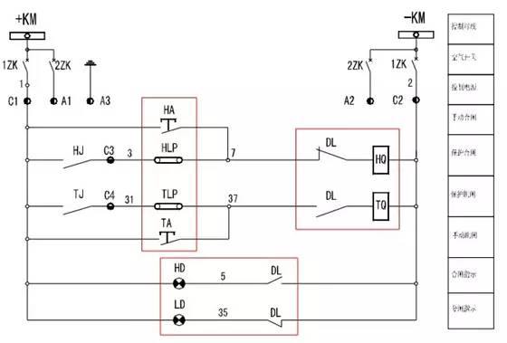
3)、操作電路
95X的運算電路整體上比較簡單。直覺。它比傳統的綜合保護更便于操作和使用。容易理解。它更容易操作。紅色盒子中的設備不是GZP-95X的一部分,它們由開關柜制造商提供,并安裝在繼電器室的面板上。并且連接到斷路器的閉合位置。

4)、開入回路
以上是設備的遠程信號(開關量)電路。與110千伏電壓等級設備的保護裝置不同,35/10kV設備的保護、測量和控制是一體化設計,即一體化為一個裝置。移除斷路器位置。其他金額可自行定義。同時,它還提供報警輸入信號。可以實現非電量跳閘信號輸入。

三、關于乙相電流互感器
B相電流互感器的作用:一般只安裝A相電流互感器和C相電流互感器。為什么現在安裝B相電流互感器?
這主要是由于小電流接地選線功能。當10kV架空線路單相接地時,允許其繼續運行一段時間,但必須確定哪條線路接地,以便盡快檢查和修復線路,即“選線”。
線路選擇基于線路的零序電流是否為零。零序電流是三相電流的矢量和,正常情況下理論值為零,單相接地時測得的零序電流不為零,可以判斷線路故障。因此,有必要配置三相電流互感器來計算零序電流。
對于電纜出線,在高壓(10kV)電纜上安裝一個特殊的零序電流互感器,不需要計算三相電流互感器的總和,因此可以安裝a、c兩相電流互感器,實現保護功能
更多選型規格報價定制等問題可及時聯系廠家,以上就是開關柜二次回路全部內容。
- 上一篇:開關柜故障分析及對策!(強烈推薦)
- 下一篇:干貨|高壓開關柜基本知識詳情
