配電箱1級、2級、3級定義和接線圖
配電箱1級、2級、3級定義和接線圖詳細資料由專業的低壓開關柜、低壓配電柜、低壓配電箱報價廠家為您提供。
頂尖的公眾人物不會錯過每一篇文章。

臨時用電是臨時變電站中使用的電力設備,施工時需要用電。從每層配電箱分支到每個用電地點。
配電箱分為三個級別:級別1 配電箱,級別2 配電箱,級別3 配電箱。

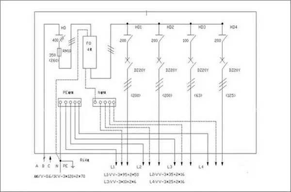
1級配電箱指從變壓器引入三相電源、接地線和零線。

一級配電箱:施工用電配電柜作為施工現場施工用電,是針對施工現場的特殊情況專門設計的,符合建設部門的相關施工用電標準。整套產品可形成完整的建筑用電三級保護系統,達到一機一閘一保護的目的,非常適合各種標準項目。一級柜設有下入口和下出口,前門打開,主母線由銅排連接,接觸良好,內部設有計量系統,安全美觀,防雨箱蓋適合野外作業。
2級配電箱是從1級配電箱電源線到臨時用電

適用于施工現場用電。它是專門為施工現場的特殊情況而設計的。符合建設部相關施工用電標準。整套產品可形成完整的建筑用電三級保護系統,實現一機一閘一保護的目標。二次箱設計有內外門,外部噴涂塑料。它既安全又漂亮。防雨箱蓋適合野外作業。
二級配電箱距離地面1.5M
主開關60a-dz463 100a
照明開關16a-dz46316a兩相漏電開關
空調1.5p-20a-dz46320a兩相漏電開關
電熱水器8000瓦+洗衣機-DZ46360A兩相漏電開關(因為沒有40A開關,只有32A)
插座開關16A-DZ46316A
主要電器是冰箱、電磁爐和微波爐
空調開關需要更換,主開關也需要更換。
主開關不需要漏電。分支開關有較好的漏電保護。因為人體通過30mA使用致命的危險。漏電開關的工作電流為130毫安。
目前,該市的配電線路一般為4平方米,其中6平方米已投入使用。較好更換2.5平方米
3級配電箱是電氣設備本身的控制柜。


三級配電:即總下配電箱子子子子子子子子子子子子子子子子子子子子子子子子子子子子子子子子子子子子子子子子子子子子子子子子子子子子子子子子子子子子子子子“二級保護”主要指采取漏電保護措施。除了在較終開關箱中安裝漏電保護器外,一級漏電保護器應安裝在上層配電箱或總計配電箱處,一般形成兩級保護。“一機一閘一漏一箱一鎖”的原則禁止同一開關電器直接控制兩個或兩個以上的電氣設備(包括插座)。
以下是配電箱的接線圖
一、系列配電箱接線圖




第二,1級配電箱接線圖

三級和二級配電箱接線圖



更多選型規格報價定制等問題可及時聯系廠家,以上就是配電箱1級、2級、3級定義和接線圖全部內容。
- 上一篇:你注意過你的“配電箱”嗎?
- 下一篇:施工現場臨時用電配電箱(柜)標準化配置圖集
