配電箱(機柜)安裝過程
配電箱(機柜)安裝過程詳細資料由專業的低壓開關柜、低壓配電柜、低壓配電箱報價廠家為您提供。
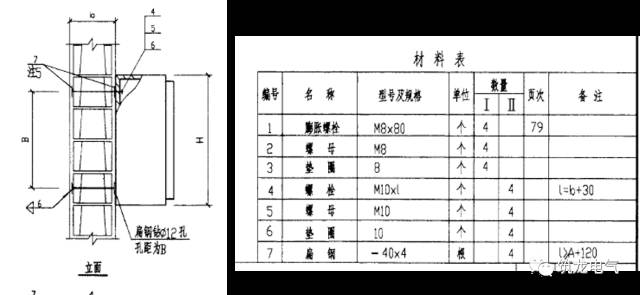
配電箱機柜安裝流程圖:


CECS低壓成套開關設備驗收規則49: 93









建筑電氣工程施工質量驗收規范
5.1.1柜、桌、箱的金屬框架和基礎型鋼應與保護導體可靠連接;對于裝有電器的可打開的門,應選擇橫截面積不小于4mm2的黃綠色絕緣銅芯軟線連接門和金屬框架的接地端子,并進行標識。
檢查次數:所有檢查。
檢查方法:觀察和檢查。



2.5機柜、桌子、盒子和托盤應安裝牢固,不得直接設置在水管下方。柜、桌、箱、板安裝垂直度允許偏差不應大于1.5 ‰,相互之間的接縫不應大于2mm,柱盤偏差不應大于5mm..
檢查次數:應檢查總數的10%,且不少于1次。
檢驗方法:線規檢驗、測隙規檢驗和拉規檢驗。

13.1.6當電纜穿過零序電流互感器時,電纜的金屬護套和接地線應與地面絕緣。穿過零序電流互感器后制成的電纜頭,電纜接地線應在穿過互感器后接地;未穿過零序電流互感器的電纜接地線應在零序電流互感器前直接接地。






2














配電箱內部布線不標準化

目標
◇過去期間的選擇
100幅經典機電安裝圖片,不同的工程之美!
“環網閣”這個詞已經聽過一萬次了,但我不知道它是什么。
看看這個安裝項目的亮點
印度電工在實戰中絕對是世界上較強的。
魯班獎管道支架安裝
◇招聘兼職電氣講師
QQ:2881875768
◇朱龍教育培訓QQ群
建筑電氣技術交流集團:562714220
課程介紹咨詢:457691038
BIM學習測試:280363089
◇關于朱龍電氣
朱龍電氣隸屬于朱龍網絡。目前,它在建筑電氣行業擁有200多萬名員工。它是一個集行業信息、新聞熱點、數據下載和技術交流于一體的綜合服務平臺。朱龍電氣的公共微信號已經成為建筑電氣行業較大的工程技術微信,擁有近10萬微信粉絲。

更多選型規格報價定制等問題可及時聯系廠家,以上就是配電箱(機柜)安裝過程全部內容。
- 上一篇:建筑電氣配電箱安裝和布線
- 下一篇:配電箱如何購買?這里有很多知識
